访问中心
新闻
研究成果
人员搜索
加入我们
ENGLISH
首页
中心概况
中心简介
年度简报
管理委员会
学术委员会
主任致辞
现任领导
组织机构
历史与沿革
荣誉与奖励
合作与交流
技术平台
分析测试平台
制备加工平台
产业发展中心
科学与发现
新结构
新性能
新工艺
新方法
材料理论
人才队伍
概况
杰出人才
研究队伍
技术队伍
管理团队
合作团队
年度优秀
首页
中心概况
技术平台
科学与发现
人才队伍
首页
新结构
新性能
新工艺
新方法
材料理论
首页
>
科学与发现
>
新性能
科学与发现
新结构
新性能
新工艺
新方法
材料理论
发现二维层状MoSi2N4材料家族
以石墨烯为代表的二维范德华层状材料具有独特的电学、光学、力学、热学等性质,在电子、光电子、能源、环境、航空航天等领域具有广阔的应用前景。目前广泛研究的二维层状材料,如石墨烯、氮化硼、过渡金属硫族化合物、黑磷烯等,均存在已知的三维母体材料。探索不存在已知三维母体材料的二维层状材料,可极大拓展二维材料的物性和应用,具有重要的科学意义和实用价值。
发现空位诱导的二维材料薄膜超快离子传输化
纳米孔道中的离子传输对能量存储和转换应用至关重要,如质子和锂离子传导膜分别是燃料电池和锂离子电池的关键材料。杜邦公司生产的Nafion膜是目前最常用的商业质子传导膜,它以磺酸基为质子供体中心,质子通过在纳米孔道中形成的水分子网络来进行传导,质子传导率可达0.2 S/cm。然而,在高温(>80 ºC)和/或低湿条件下,由于含水量的降低,其性能会发生严重衰减。近年来,人们又发展了多种质子传导膜,包括基于MOF、生物材料和氧化石墨烯的膜材料。这些膜材料也均以官能团(如磷酸基、羧基、羟基等)作为质子供体中心,但其性能较Nafion膜仍有很大差距。
块体非晶合金的加工硬化行为
加工硬化,即材料随变形量的增加而增强的力学行为,它反映材料在均匀塑性变形区抵抗进一步变形的能力,是工程材料力学行为最重要的现象,也是金属作为结构材料广泛应用的重要依据。非晶合金,也称金属玻璃,在最近的几十年中一直是先进金属材料领域的研究重点。尽管非晶合金具有许多优异的机械性能(高屈服应力,高韧性和破纪录的“损伤容忍度”),但其致命弱点却是缺乏加工硬化。与传统晶体材料不同,它们的变形一直认为是剪切带主导的非均匀变形,应变软化而非加工硬化一直被认为是它们的本征变形机制。这直接导致了其形变的高度局域化和室温脆性,成为非晶合金的致命弱点和瓶颈问题。
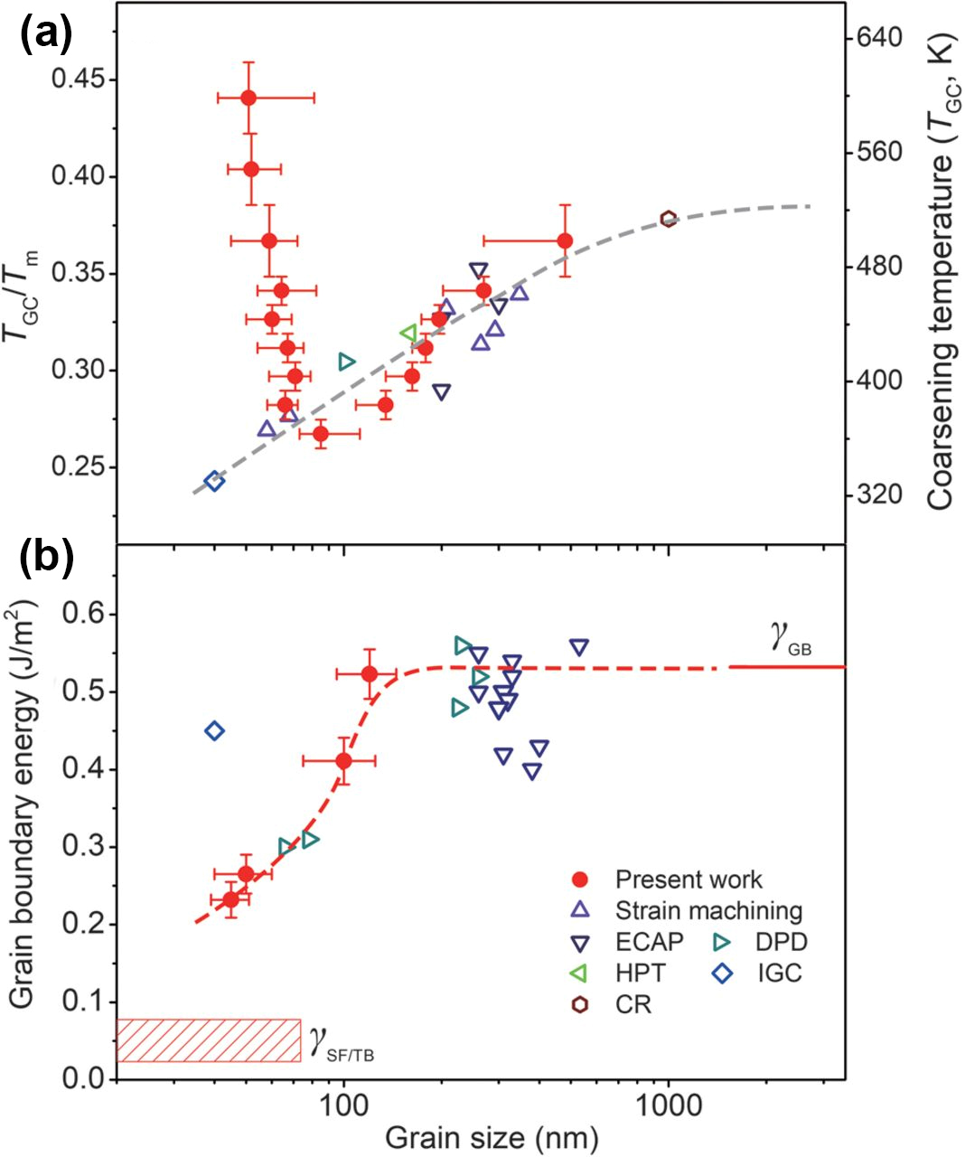
发现纳米金属反常热稳定性
金属晶粒细化至纳米尺寸可以大幅提高其强度和硬度,但由于引入大量晶界,纳米金属材料的结构稳定性变低,晶粒长大倾向明显。本研究发现,对于塑性变形制备的纳米晶,上述典型不稳定行为只在一定晶粒尺寸范围内发生。在某特征尺寸以下,随着晶粒尺寸的降低,其稳定性不降反升。利用表面碾压技术成功制备出表面晶粒尺寸40 nm左右的梯度结构纳米晶Cu样品,研究发现尺寸为70 nm的晶粒在413 K退火30分钟即发生显著长大,远低于粗晶铜的再结晶温度。而低于70 nm,随着晶粒尺寸的进一步减小,纳米晶的稳定性反有所上升,尺寸为40 nm的晶粒,其显著长大温度甚至高达600K以上。研究表明,低于70 nm晶粒稳定性升高来自于晶界能的自发降低。塑性变形过程中,70 nm以下,晶界能自发由原来0.52 J/m2降低至0.23-0.27 J/m2,这一现象与在该尺寸下全位错不能弓出,晶界通过释放不全位错容纳变形有关。
梯度纳米孪晶金属的额外强化和加工硬化
近年来,微观结构梯度的概念被越来越多地应用于工程材料中。鉴于其独特的变形机制,梯度结构材料普遍表现出较好的强度、硬度、加工硬化及抗疲劳性能等。但如何理解结构梯度对力学性能的影响规律仍面临巨大挑战。
基于石墨烯-氮化硼异质结构弹道输运pn结的电子光学实验观测
石墨烯-氮化硼平面异质结构自2010年首次报道以来受到了凝聚态物理研究人员的广泛关注,并衍生了二维原子晶体的人工堆垛结构的研究分支。由于氮化硼提供了化学惰性、原子级别平整、无电荷掺杂的良好基底,石墨烯得以获得比在传统硅片表面高出3-4个数量级的载流子迁移率,并直接促成了石墨烯体系中分数量子霍尔效应的实验观测。作为Dirac费米子二维电子气,石墨烯具有零带隙、电子空穴可调制等特性,并且其与氮化硼平面异质结构能够提供超高迁移率。这些性质,正是实验上实现电子光学的必要因素。所谓电子光学,也即电子表现出光学行为的体系。例如,在一个二维pn结界面上,电子能够像光入射到不同折射率界面一样,发生折射与反射,并遵循Snell定律。不同的是,自然界中光传输介质的折射率均为正值。而Veselago早在1968年就预言,如果存在负折射率的介质,人们将能够简单地解决现实应用中各种透镜的像散问题。因此,Veselago透镜也常被称为完美透镜。2007年,科学家在理论上预言石墨烯pn结能够实现Veselago透镜的电子光学(electron optics)版本,只要在该pn结两边通过门电压调控成相反的载流子类别(电子、空穴)。由于切向动量守恒,入射电子将在pn结界面上发生负折射。
拓扑绝缘体材料中不饱和线性磁电阻
磁电阻的材料由于其在基础研究和器件应用中所起巨大作用而倍受关注。研究发现材料的经典磁电阻随外磁场具有二次方关系,在大磁场下, 磁电阻趋于饱和。特殊的是,非饱和线性磁电阻存在于具有开放费米面材料中。在解释这种非饱和线性磁电阻理论模型中,由Abrikosov等提出的“量子磁电阻”及Parish和Littlewood提出的经典物理模型最为典型。由于拓扑绝缘体具有零能隙狄拉克表面态,拓扑绝缘体材料的磁电阻引起 越来越多研究者兴趣。他们认为单晶材料的线性磁电阻是来源于材料二维无能隙拓扑表面态。另外,也有研究认为电子不均匀和导电性涨落对线性磁电阻也非常重要。直到现在,拓扑绝缘体材料中线性磁电阻的确切因素还不十分清楚。
面向公众
新闻
科普天地
历史与沿革
加入我们
访问中心
联系我们
面向研究人员
技术平台
学术会议
科学与发现
组织机构
加入我们
访问中心
联系我们
面向学术界
科学与发现
学术会议
技术平台
合作与交流
加入我们
访问中心
联系我们
面向企业界
科学与发现
技术平台
成果转化
加入我们
访问中心
联系我们
Developed by SYNL. Copyright © 沈阳材料科学国家研究中心.
辽ICP备05005387号-9